产品展示
油压夹具缸
联系我们

台州市丰通机械有限公司
电话:0576-82587588
传真:0576-82580076
手机:13566656300
E-mail:742897365@qq.com
Website: www.ftclamp.com
地址:浙江省台州市路桥区西路桥大道880-8号

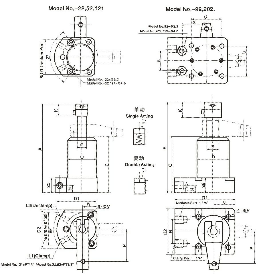
030底部法兰转角缸

【简述】:
无需预留孔;直接用螺栓将转角刚固定到工作台面,缸体的主结构在工作太面上,可加紧较厚的工件,允许超大件的夹持。
往复式特点:夹紧与松卸全靠油路控制,按照换向阀的方向交替来控制转角缸的夹紧和松卸形成,压臂形状与单动相同。
单动式特点:内部系统化比较简单,没有装卸 系统,装卸时靠弹回回力完成松卸形成;外部管路的法门及附件较少使配套系统比较简单。创新的压臂设计能满足多种场合。
缸体材质合用碳钢,经渗碳氮化处理,表面硬度高,缸体内面硬度高耐磨损。
压板需增加长度时,请勿大于原来长度之1.5倍。