产品展示
油压夹具缸
联系我们

台州市丰通机械有限公司
电话:0576-82587588
传真:0576-82580076
手机:13566656300
E-mail:742897365@qq.com
Website: www.ftclamp.com
地址:浙江省台州市路桥区西路桥大道880-8号

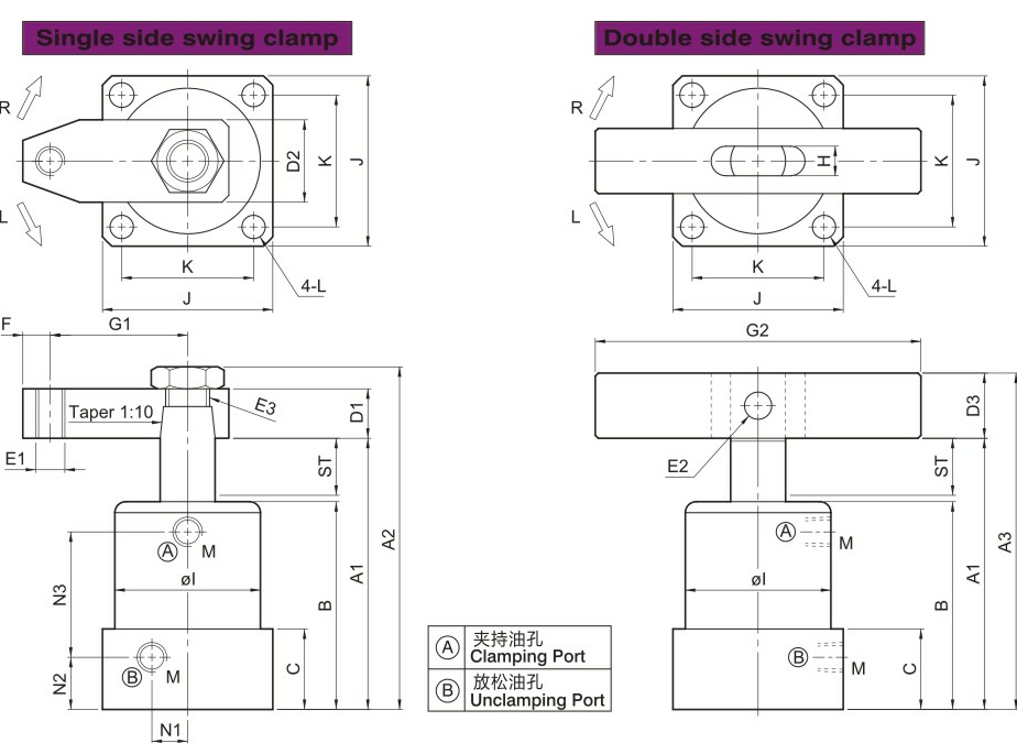
HSC油压转角缸配管式

【简述】:
本产品适应于量产零件之专用击穿及MC治具,提高生产效率最佳帮手。
主要功能为油压缸作动时,活塞下压行程中压会旋转到设计的角度,再沿着直线继续下压直到压板压紧工件。
建议适应油压转角缸,请加装流量控制阀,避免速度过快,以及转角行程中,请勿夹持工件,避免损坏缸体及内部零件。
压板需增加长度时,请勿大于原长1.5倍。
缸体材质采用机械构造用炭素钢,内壁特殊加工处理,表面光滑,使用寿命长。