产品展示
空压夹具缸
联系我们

台州市丰通机械有限公司
电话:0576-82587588
传真:0576-82580076
手机:13566656300
E-mail:742897365@qq.com
Website: www.ftclamp.com
地址:浙江省台州市路桥区西路桥大道880-8号

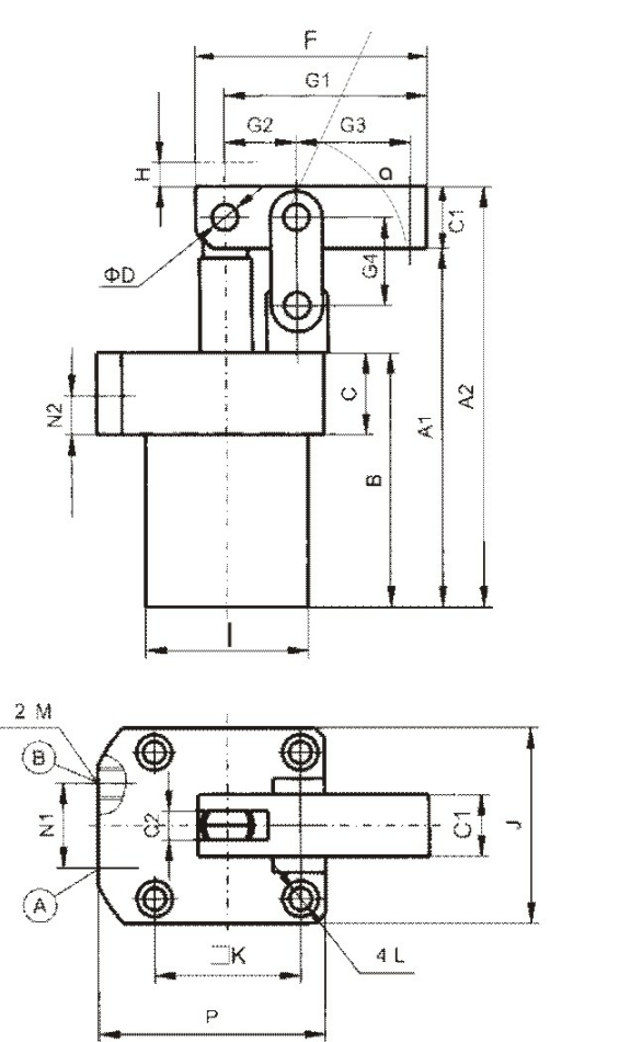
ALC-FA杠杆式空压缸法兰型

【简述】:
本产品适用于量产零件之专用机及MC治具,提高生产效率最佳帮手。
主要功能为空压缸作动时,活塞下压行程中压板会旋转到设计的角度,再沿着直线继续下压直到压板夹紧工件。
建议使用空压转角缸,A.B入气口请加装流量控制阀,避免速度过快,以及转角行程中,请勿夹持工件,导致损坏缸体及内部零件。
压板需增加长度时,请勿大于原长之1.5倍。
缸体材质使用铝合金,表面硬膜处理,被逼表面光滑,使用寿命长。