Products
Hydraulic series
Contact Us

Taizhou Fengtong Machinery Co., Ltd.
Tel: 0576-82587588
Fax: 0576-82580076
E-mail:742897365@qq.com
Website: www.ftclamp.com
Address: No. 880-8, Xiluqiao Avenue, Luqiao District, Taizhou City, Zhejiang Province


Hydraulic series

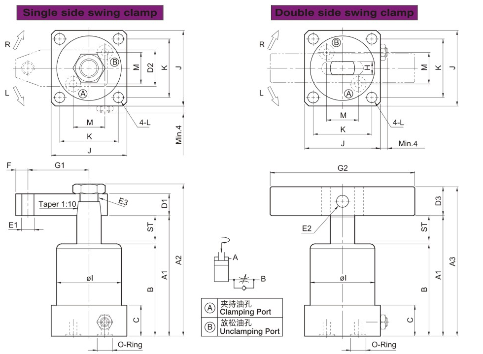
HSC-FM/MF hydraulic rotary cylinder lower flange hydraulic circuit board or with speed control

【Brief】:
This product is suitable for special breakdown and MC fixture of mass-produced parts, and is the best assistant to improve production efficiency.
The main function is that when the hydraulic cylinder acts, the middle pressure of the piston's downward stroke will rotate to the designed angle, and then press down along the straight line until the workpiece is pressed by the pressure plate.
It is suggested that flow control valves should be installed to adapt to oil pressure angle cylinder, so as to avoid excessive speed, and do not clamp the workpiece during the angle stroke, so as to avoid damaging the cylinder block and internal parts.
When the length of the pressing plate needs to be increased, please do not exceed the original length by 1.5 times.
The material of cylinder block is made of carbon steel for mechanical construction. The inner wall is specially processed with smooth surface and long service life.