产品展示
高压夹具缸
联系我们

台州市丰通机械有限公司
电话:0576-82587588
传真:0576-82580076
手机:13566656300
E-mail:742897365@qq.com
Website: www.ftclamp.com
地址:浙江省台州市路桥区西路桥大道880-8号

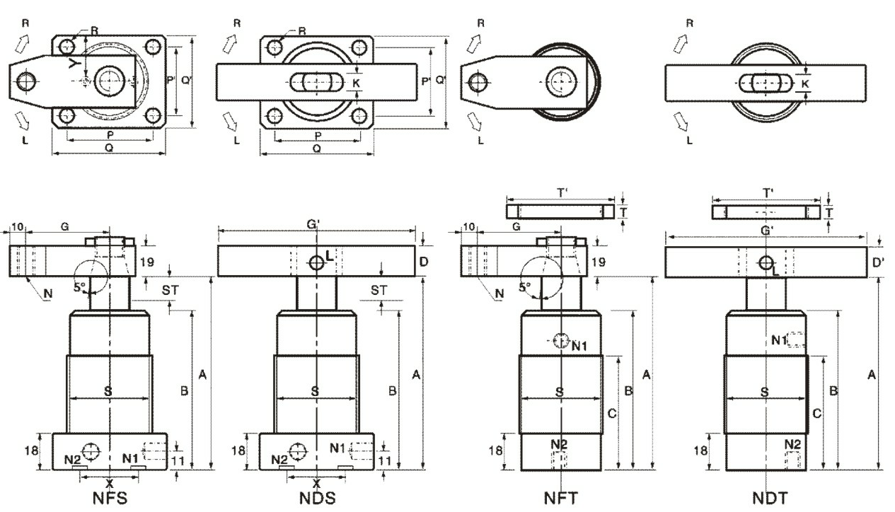
NFS高压转角缸

【简述】:
向左或向右旋转垂直下压达到夹持目的。
标准角度90°,可订做角度30°、45°、60°。
缸体为高级碳钢材质,表面硬化处理。
压板加长时,G值勿超过原有规格1.2倍。
入油口请加装流量控制阀,控制转角速度,避免惯性撞击。
下压夹持时,应于垂直行程內夹紧工件。
每次上下工作时,务必以气枪清洁活塞杆处油封上的铁屑异物,避免下次使用嵌入油封。